

|
||||||||||||||||||||||||||||||||||||||||||||||||||||||||||||||||||||||||||||||||||||||||||||||||||||||||||||||||||||||||||||||||||||||||||||||||||||||||||||||||||||||||||||||||||||||||||||||||||||||||||||||||||||||||||||||||||||||
|
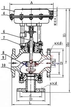
產品介紹 一、ZMQP氣動薄膜三通切斷閥--概述ZMQ、ZSQ型氣動薄膜(活塞)切斷閥采用頂導向結構,配用多彈簧執行機構。 具有結構緊湊、重量輕、動作靈敏、流體通道呈S流線型、壓降損失小、閥容量大、拆裝方便等優點。切斷閥接受來自調節儀表的信號,切斷、開啟或改變介質 流向,達到對壓力、流量、液位等工藝參數自動控制。廣泛應用于石油、化工、冶金、電力、輕工、紡織等各種工業部門的生產過程自動控制和運程控制系統中。 本系列產品有薄膜式、活塞式兩種。閥體結構有單座、套筒、雙座(二位三通)三種,密封形式有填料密封和波紋管密封兩種,產品公稱壓力等級有PN10、 16、40、46四種,公稱口徑范圍DN20~200mm。適用流體溫度由-60~450℃。泄漏量等級為IV級或VI級。流量特性為快開。 二、ZMQP氣動薄膜三通切斷閥--工作原理ZMQP氣動三通薄膜切斷閥采用頂導向結構,配用多彈簧執行機構。 具有結構緊湊、重量輕、動作靈敏、流體通道呈S流線型、壓降損失小、閥容量大、拆裝方便等優點。切斷閥接受來自調節儀表的信號,切斷、開啟或改變介質 流向,達到對壓力、流量、液位等工藝參數自動控制。廣泛應用于石油、化工、冶金、電力、輕工、紡織等各種工業部門的生產過程自動控制和運程控制系統中。 本系列產品有薄膜式、活塞式兩種。閥體結構有單座、套筒、雙座(二位三通)三種,密封形式有填料密封和波紋管密封兩種,產品公稱壓力等級有PN10、 16、40、46四種,公稱口徑范圍DN20~200mm。適用流體溫度由-60~450℃。泄漏量等級為IV級或VI級。流量特性為快開。 ZMQP氣動薄膜活塞切斷閥,氣動薄膜隔膜切斷閥,氣動薄膜單座調節閥,氣動薄膜隔膜調節閥,氣動薄膜雙座調節閥,調節閥在現代化工廠的自動控制中,調節閥起著十分重要的作用,這些工廠的生產取決于流動著的液體和氣體的正確分配和控制。這些控制無論是能量的交換、壓力的降低或者是簡單的容器加料,都需要*某些最終控制元件去完成。最終控制元件可以認為是自動控制的“體力”。在調節器的低能量級和執行流動流體控制所需的高能級功能之間,最終控制元件完成了必要的功率放大作用。 ![]() 調節閥是最終控制元件的最廣泛使用的型式。其他的最終控制元件包括計量泵、調節擋板和百葉窗式擋板(一種蝶閥的變型)、可變斜度的風扇葉片、電流調節裝置以及不同于閥門的電動機定位裝置。 盡管調節閥得到廣泛的使用,調節系統中的其它單元大概都沒有像它那樣少的維護工作量。在許多系統中,調節閥經受的工作條件如溫度、壓力、腐蝕和污染都要比其它部件更為嚴重,然而,當它控制工藝流體的流動時,它必須令人滿意地運行及最少的維修量。 調節閥在管道中起可變阻力的作用。它改變工藝流體的紊流度或者在層流情況下提供一個壓力降,壓力降是由改變閥門阻力或“摩擦”所引起的。這一壓力降低過程通常稱為“節流”。對于氣體,它接近于等溫絕熱狀態,偏差取決于氣體的非理想程度(焦耳一湯姆遜效應)。在液體的情況下,壓力則為紊流或粘滯摩擦所消耗,這兩種情況都把壓力轉化為熱能,導致溫度略為升高。 常見的控制回路包括三個主要部分,第一部分是敏感元件,它通常是一個變送器。它是一個能夠用來測量被調工藝參數的裝置,這類參數如壓力、液位或溫度。變送器的輸出被送到調節儀表——調節器,它確定并測量給定值或期望值與工藝參數的實際值之間的偏差,一個接一個地把校正信號送出給最終控制元件——調節閥。閥門改變了流體的流量,使工藝參數達到了期望值。 在氣動調節系統中,調節器輸出的氣動信號可以直接驅動彈簧一薄膜式執行機構或者活塞式執行機構,使閥門動作。在這種情況下,確定閥位所需的能量是由壓縮空氣提供的,壓縮空氣應當在室外的設備中加以干燥,以防止凍結,并應凈化和過濾。
| ||||||||||||||||||||||||||||||||||||||||||||||||||||||||||||||||||||||||||||||||||||||||||||||||||||||||||||||||||||||||||||||||||||||||||||||||||||||||||||||||||||||||||||||||||||||||||||||||||||||||||||||||||||||||||||||||||||||
| 公稱通徑 | 15 | 20 | 25 | 32 | 40 | 50 | 65 | 80 | 100 | 125 | 150 | 200 | |
| A | φ 196 | φ 232 | φ 308 | φ 394 | φ 498 | ||||||||
| L | PN16、40 | 130 | 150 | 160 | 180 | 200 | 230 | 290 | 310 | 350 | 400 | 480 | 600 |
| PN64 | 210 | 230 | 230 | 260 | 260 | 300 | 340 | 380 | 430 | 500 | 550 | 600 | |
| H | PN16、40 | 305 | 340 | 345 | 370 | 380 | 390 | 475 | 490 | 500 | 765 | 825 | 927 |
| PN64 | 320 | 350 | 354 | 372 | 382 | 397 | 473 | 475 | 517 | 805 | 882 | 815 | |
| 波紋管密封型 | 375 | 409 | 414 | 431 | 441 | 468 | 555 | 570 | 613 | 855 | 915 | 1017 | |
| H1 | PN16、40 | 50 | 53 | 58 | 70 | 75 | 83 | 93 | 100 | 110 | 125 | 148 | 170 |
| PN64 | 60 | 65 | 70 | 77.5 | 85 | 90 | 100 | 85 | 125 | 148 | 170 | 208 | |
| H2 | PN64 | 115 | 115 | 121 | 130 | 140 | 153 | 178 | 190 | 200 | 260 | 320 | 380 |
| PN16 | 125 | 125 | 130 | 140 | 150 | 160 | 185 | 200 | 220 | 280 | 320 | 360 | |
| PN40 | 150 | 150 | 160 | 170 | 180 | 200 | 230 | 250 | 282 | 310 | 430 | 480 | |
| H3 | PN16、40 | 404 | 415 | 428 | 448 | 448 | 468 | 561 | 578 | 590 | 886 | 1008 | 1120 |
| PN64 | 365 | 430 | 498 | 528 | 528 | 530 | 535 | 540 | 600 | 890 | 1208 | 1305 | |
| 波紋管密封型 | 395 | 465 | 478 | 509 | 509 | 548 | 641 | 658 | 670 | 976 | 1098 | 1210 | |
| 重量 ( kg) | 標準型 | 10 | 10 | 12 | 15 | 18 | 23 | 35 | 45 | 60 | 75 | 90 | 120 |
| 波紋管密封型 | 12 | 12 | 14 | 17 | 20 | 26 | 38 | 48 | 64 | 79 | 95 | 125 | |
1) 本產品性能和指標貫徹GB/T4213-92;
2) 表中允許壓差值若大于公稱壓力則取公稱壓力值,小于等于公稱壓力值則不變;
3) 表允許值為使用標準缸值,可配用不同的氣缸提高允許壓差。