

|
|||||||||||||||||||||||||||||||||
|
產品介紹 一、氣動O型切斷球閥--概述:
ZSHR系列氣動O型球閥,球芯采用O型通孔,固定球式閥門閥座采用彈性補償閥前密封,雙保護蓋式填料函裝置,保護閥桿在壓力下不致脫出,閥內腔能自動泄壓,防止閥腔內產生非正常高壓,可設置防靜電防火結構,閥門的流量系數大,流阻小,角行程啟閉迅速。
二、氣動O型切斷球閥--用途:
ZSHR氣動O型切斷球閥適用于石油化工、冶金、制藥、食品、造紙、輕紡、電力、給排水等系統,控制一切腐蝕或非腐蝕性的氣體、液體介質。
三、氣動O型切斷球閥--閥體:
四、氣動O型切斷球閥--閥內組件:
五、 氣動O型切斷球閥--執行機構:
六、 氣動O型切斷球閥--閥作用型式:單作用執行機構:氣關式(B)--失氣時閥位開(FO);氣開式(K)--失氣時閥位關(FC) 雙作用執行機構:氣關式(B)--失氣時閥位保持(FL);氣開式(K)--失氣時閥位保持(FL) 七、 氣動O型切斷球閥--附件:
電磁閥、空氣過濾減壓器、保位閥、行程開關、閥位傳送器、手輪機構等
八、流量系數Cv值、泄露量:![]() 九、閥體材料的使用溫度及壓力范圍:
JB/T74-94 HG20596-97 單位:MPa JIS 單位:MPa ![]() ANSI 單位:MPa 十、 閥體、閥內件標準材料組合及使用溫度范圍
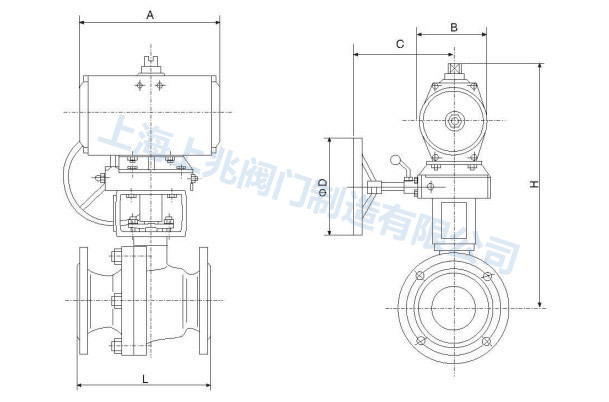
¤ R.TFE(F):二氧化鉬強化聚四氟乙烯 ¤ R.TFE(C):碳纖維強化聚四氟乙烯 ¤ HCr :鍍硬鉻 ¤ S.S :部分堆焊司太萊合金 ![]() 十一、結構圖:
![]()
十二、配用雙作用執行機構PN1.6MPA 閥座材料:聚四氟乙烯 ![]() PN2.5MPA 閥座材料:聚四氟乙烯 ![]() PN4.0MPA 閥座材料:聚四氟乙烯 ![]() 十三、配用單作用執行機構PN1.6MPA 閥座材料:聚四氟乙烯 ![]() PN2.5MPA 閥座材料:聚四氟乙烯 ![]() PN4.0MPA 閥座材料:聚四氟乙烯 ![]() 外型尺寸及重量帶手輪機構的整機外型尺寸(mm)及重量 ![]() 供應:切斷閥 快速切斷閥 煤氣切斷閥 燃氣緊急切斷閥 緊急切斷閥 氣動切斷閥 燃氣切斷閥 氣動緊急切斷閥 液動緊急切斷閥 不銹鋼氣動緊急切斷閥 不銹鋼液動緊急切斷閥 手動氣動緊急切斷閥 手動液動緊急切斷閥 電磁動緊急切斷閥 氨用電磁動緊急切斷閥 氨氣緊急切斷閥 液氨專用安全切斷閥 液氨緊急切斷閥 煤氣緊急切斷閥 煤氣電磁閥 燃氣緊急切斷閥 液化氣緊急切斷閥 電磁式煤氣安全切斷閥 氣動氧氣切斷閥 氧氣切斷閥 車用緊急切斷閥 機械式車用緊急切斷閥 快關抽汽止回閥 燃氣專用球閥 燃氣球閥 燃氣截止閥 燃氣止回閥 不銹鋼天然氣截止閥 不銹鋼氨用截止閥 氣動程控切斷閥 內螺紋氣動程控切斷閥 氣動抽氣止回閥 液動抽氣止回閥 氣動程控截止閥 氣動截止閥 液氨截止閥 液化氣截止閥 氨氣截止閥 氨用截止閥 氧氣專用截止閥 氧氣截止閥 限流閥 燃氣限流閥 | |||||||||||||||||||||||||||||||||
相關產品 |
|||||||||||||||||||||||||||||||||